Форум Авто Сигнализаций

Форум Авто Сигнализаций (http://www.alarmforum.ru/index.php)
-   Автосигнализации платформы Pandora DeLuxe (http://www.alarmforum.ru/forumdisplay.php?f=48)
-   -   Pandora DeLuxe 2000/2100/1870/1870i подключение резервного питания (http://www.alarmforum.ru/showthread.php?t=3967)

ol_ti 17.07.2009 00:15

Pandora DeLuxe 2000/2100/1870/1870i подключение резервного питания
 
Вложений: 1
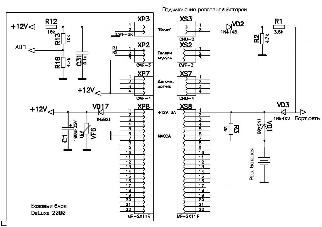
Схема подключения аварийного питания. При реализации данной схемы при отключении основного АКБ, сигнализация отправляет соответствующее сообщение на брелок-пейджер и включает тревожную сигнализацию.
Режим запуска про просадке напряжения 11,5 сохраняется. Напряжение на брелоке в период работы на резервном АКБ показывает неверно.



или вот эта:
Вложение 380


Часовой пояс GMT +4, время: 23:29.

vBulletin® 3.6.4, Copyright ©2000-2025, Jelsoft Enterprises Ltd.
Перевод: RSN-TeaM (zCarot)