Форум по автобезопасности -
автосигнализации
Контакты
Тема
:
Подскажите про подключении A9 к замку зажигания...
Показать сообщение отдельно
AkseleratoR
Новичок
Регистрация: 17.07.2013
Сообщения: 25
Репутация:
10
17.07.2013, 13:51
Подскажите про подключении A9 к замку зажигания...
#
1
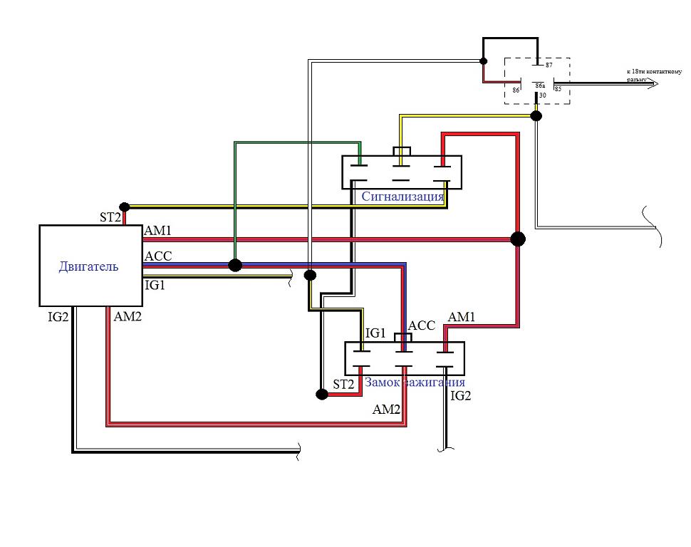
Доброго времени суток... подскажите плиз куда подключить провода оставшиеся, перед разборкой не все провода сфоткал...
Миниатюры
Меню пользователя AkseleratoR
Посмотреть профиль
Найти ещё сообщения от AkseleratoR