Форум по автобезопасности -
автосигнализации
Контакты
Тема
:
Подскажите про подключении A9 к замку зажигания...
Показать сообщение отдельно
AkseleratoR
Новичок
Регистрация: 17.07.2013
Сообщения: 25
Репутация:
10
26.07.2013, 11:13
#
8
Цитата:
Сообщение от
Старик
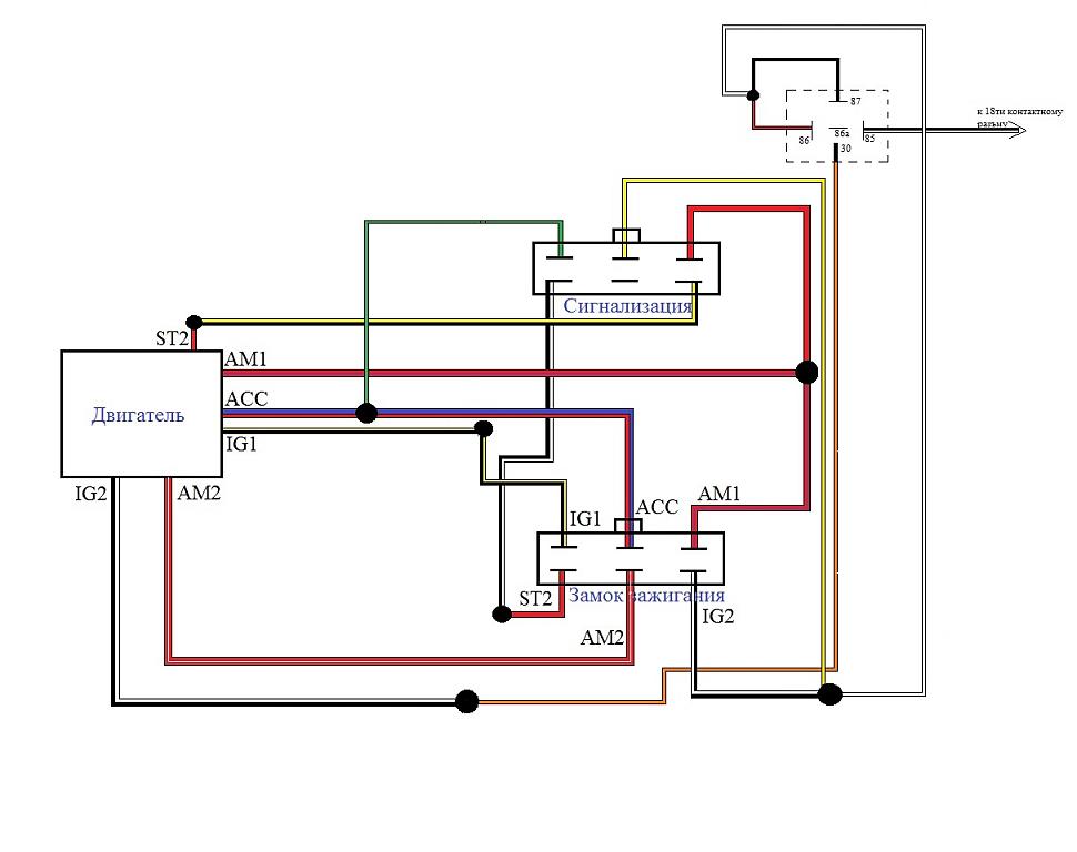
Куда и как сейчас прицеплен ЖЕЛТЫЙ провод сигнализации? А лучше НАРИСУЙТЕ - как Вы все провода соединили на текущий момент.
Вот так сейчас
Миниатюры
Меню пользователя AkseleratoR
Посмотреть профиль
Найти ещё сообщения от AkseleratoR