Показать сообщение отдельно
Новичок
 
Регистрация: 19.11.2008
Сообщения: 4
Репутация: 10 Timur591 репутация 10: верной дорогой идете, товарищ
По умолчанию

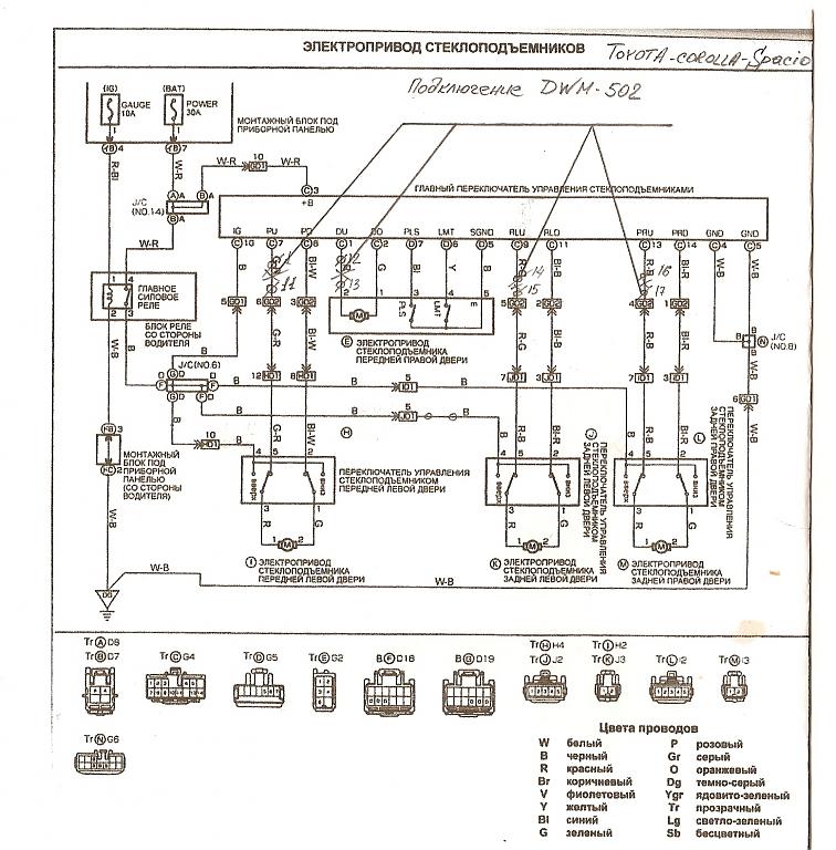
Извиняюсь за молчание-искал схему стеклоподъёмников на Corolla-Spacio.Нашёл-выкладываю с установленными доводчиками PANDORA DWM-501.
Миниатюры
Нажмите на изображение для увеличения
Название: сканирование0001.jpg
Просмотров: 364
Размер:	106.7 Кб
ID:	206  
  Ответить с цитированием