Показать сообщение отдельно
Сенсей
 
Регистрация: 14.04.2009
Адрес: Украина г.Запорожье
Сообщения: 530
Репутация: 20 mich_ya репутация 10: верной дорогой идете, товарищ
По умолчанию

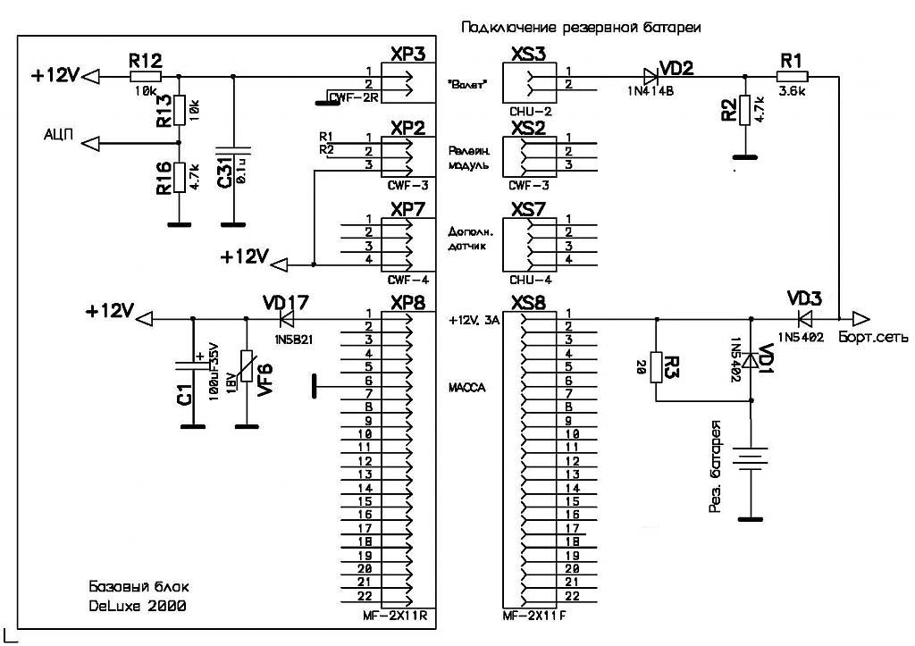
Цитата:
Сообщение от CDriver Посмотреть сообщение
...Схема подключения аварийного питания DeLuxe.
Как то не дает спокойно спать питание через контакты разъемов XS2, XS7.
Я бы все таки сделал по другому. Правда смущает наличие VD3, но монтаж и реализация все же будет намного проще. Да и вышеуказанные разъемы могут быть заняты.
Миниатюры
Нажмите на изображение для увеличения
Название: Подключение резервной батареии.jpg
Просмотров: 466
Размер:	109.8 Кб
ID:	373  
__________________
Михаил

.
  Ответить с цитированием