Форум по автобезопасности -
автосигнализации
Контакты
Тема
:
Аварийное питание
Показать сообщение отдельно
stotten
Сенсей
Регистрация: 23.02.2007
Адрес: Калуга
Сообщения: 3,231
Репутация:
864
21.01.2010, 14:42
#
15
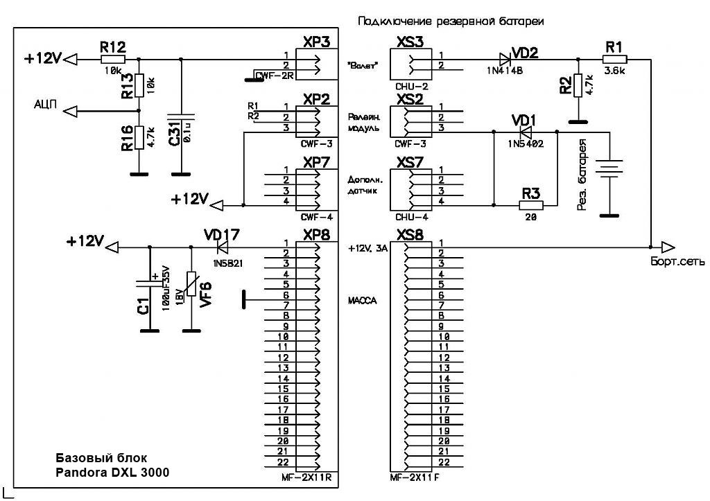
Извиняюсь, вынужден был некоторое время отсутствовать... Я являюсь представителем АТ.
Вот схема, которая должна удовлетворить Вашим требованиям.
Миниатюры
__________________
• Pandora • Pandect •
__________________
www.alarmtrade.ru
www.pandora5000.ru
www.manuals.alarmtrade.ru
.
Меню пользователя stotten
Посмотреть профиль
Посетить домашнюю страницу stotten
Найти ещё сообщения от stotten