Форум по автобезопасности -
автосигнализации
Контакты
Тема
:
HELP! схема автозапуска DXL3000 форестер 2005г
Показать сообщение отдельно
dream-liner
Новичок
Регистрация: 14.02.2012
Сообщения: 6
Репутация:
10
14.02.2012, 08:16
HELP! схема автозапуска DXL3000 форестер 2005г
#
1
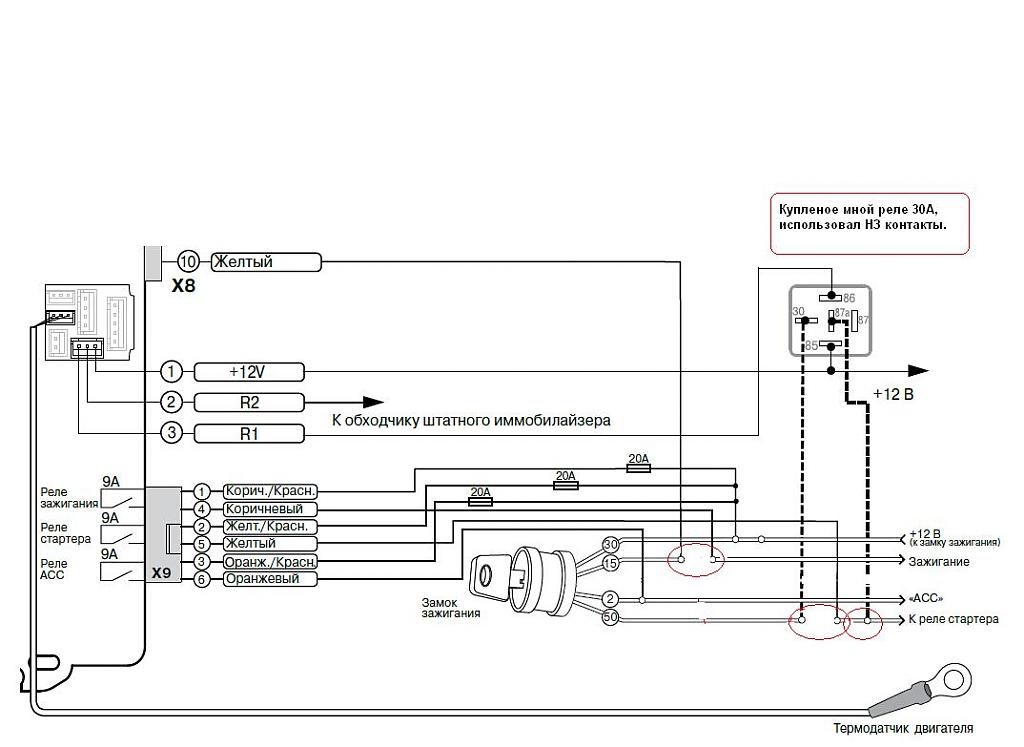
Здравствуйте. Решил сам установить а/с. Технически достаточно грамотен. Все сделал, вроде все работает, но вкрались сомнения и пока все не доделал решил спросить. Ниже привожу схему и несколько вопросов:
1. В местах отмеченных красным сечение проводов не совпадает, это настораживает! Думаю нужно собрать эти соединения на дополнительных реле если да то как? не могли бы вы подсказать схемку?
2. Я сделал на "Зажигание" и на "стартер" разрывы, нужно было ли?
3. Использовал доп реле как на схеме. Нужно было ли?
Форестер 05г пр руль, замок зажигания 4-х проводный.
Миниатюры
Меню пользователя dream-liner
Посмотреть профиль
Найти ещё сообщения от dream-liner