Форум по автобезопасности -
автосигнализации
Контакты
Тема
:
HELP! схема автозапуска DXL3000 форестер 2005г
Показать сообщение отдельно
dream-liner
Новичок
Регистрация: 14.02.2012
Сообщения: 6
Репутация:
10
14.02.2012, 09:41
#
4
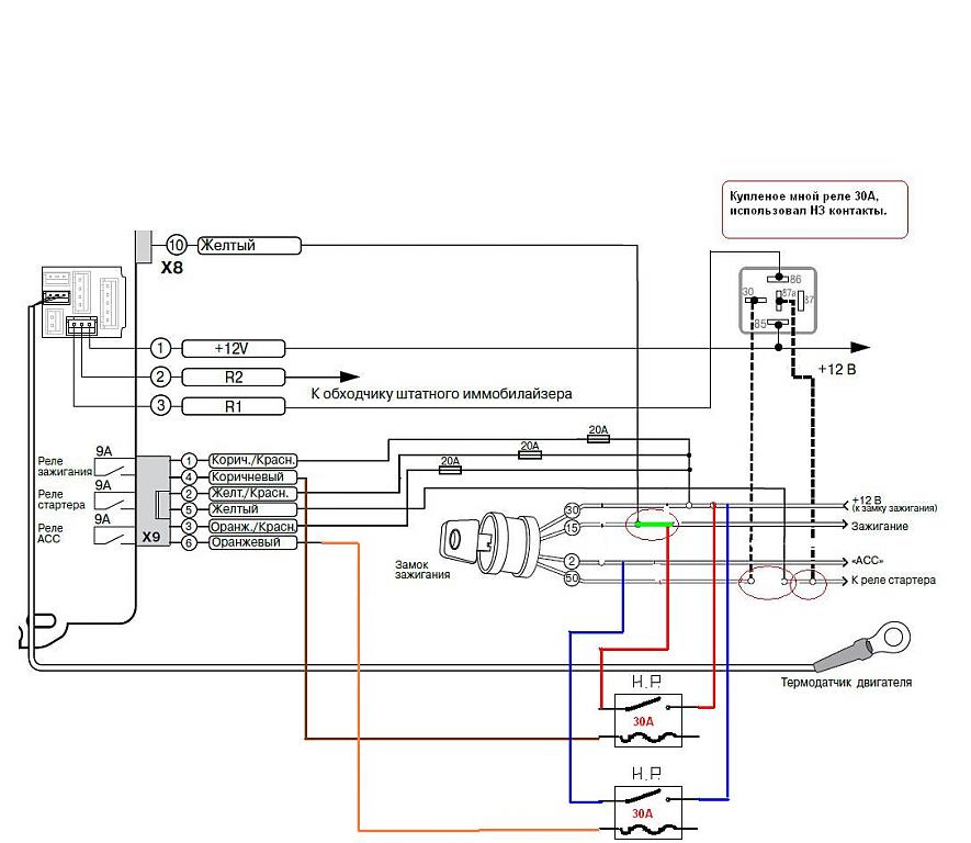
Быть может сделать так (схема ниже):
Поставить закоротку, "зеленый цвет" в провод "Зажигание", и в провод "АСС" и "Зажигание" Врезать по реле согласно схемы. Управлящий контакт взять с блока пандоры. Если да то:
1. какие реле Н. Р. , обычные автомобильные на 30 А.?
2. на что вешать второй управлящий контакт этих реле?
Миниатюры
.
Меню пользователя dream-liner
Посмотреть профиль
Найти ещё сообщения от dream-liner