Тема: PANDORA DXL 4300
Показать сообщение отдельно
Бывалый
 
Регистрация: 16.11.2012
Сообщения: 249
Репутация: 10 igbqjy репутация 10: верной дорогой идете, товарищ
По умолчанию

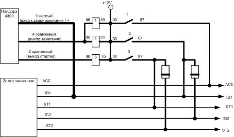
Посмотрите, правильная схема?
Миниатюры
Нажмите на изображение для увеличения
Название: подключение автозапуска.jpg
Просмотров: 153
Размер:	19.4 Кб
ID:	679  
  Ответить с цитированием