Pandora DeLuxe 2000/2100/1870/1870i подключение резервного питания
Администратор
 
Регистрация: 19.01.2009
Сообщения: 780
Репутация: 440 ol_ti репутация 400: авторитетность подтверждена
По умолчанию Pandora DeLuxe 2000/2100/1870/1870i подключение резервного питания

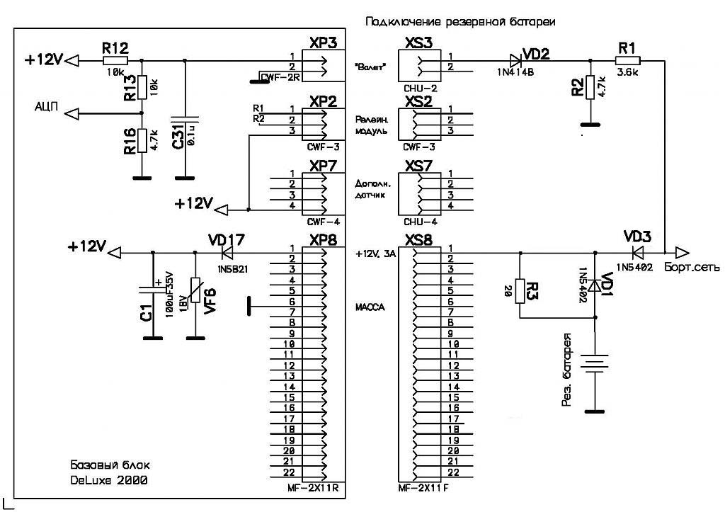
Схема подключения аварийного питания. При реализации данной схемы при отключении основного АКБ, сигнализация отправляет соответствующее сообщение на брелок-пейджер и включает тревожную сигнализацию.
Режим запуска про просадке напряжения 11,5 сохраняется. Напряжение на брелоке в период работы на резервном АКБ показывает неверно.



или вот эта:
Нажмите на изображение для увеличения
Название: резервн АКБ 2.jpg
Просмотров: 831
Размер:	109.8 Кб
ID:	380

.
  Ответить с цитированием
Ответ  


Опции темы
Опции просмотра
Комбинированный вид Комбинированный вид