Форум Авто Сигнализаций

Форум Авто Сигнализаций (http://www.alarmforum.ru/index.php)
-   Pandora, Pandect (http://www.alarmforum.ru/forumdisplay.php?f=12)
-   -   Pandora DXL 3910 и все про нее (http://www.alarmforum.ru/showthread.php?t=9666)

alexandr777 29.05.2016 12:24

да, некрасиво, повторяется опять одна и таже ситуация уже в который раз,:)

peit 29.05.2016 12:37

Artur1990, Я вас понимаю, у нас тоже таможня сума сходит.
Свяжитесь с ней завтра.

wellio 30.05.2016 02:44

Здравствуйте.
Авто Тойота Королла 2014 г. Запуск двигателя с ключа.
Pandora dxl 3910. Какой обходчик мне подойдёт для автозапуска? Pandora dl-03?

Добавлено через 1 час 14 минут

Или мне подойдёт ТОЛЬКО fortin evo-all?

user1667 30.05.2016 05:46

wellio, 3910 сама обойдет, отдельный обходчик не нужен.

wellio 30.05.2016 05:54

Цитата:

Сообщение от user1667 (Сообщение 160372)
wellio, 3910 сама обойдет, отдельный обходчик не нужен.

Да не обойдёт же.
У меня Королла 2014 г. заводится с ключа!
Обходит она только Короллы со старт/стоп.

Миха 31.05.2016 00:48

Добрый вечер. Подскажите пж. Есть Ниссан Теана L33 с бесключевым доступом и установленной 3910, обходчиком и естественно ключом в нем, на оф.сайте увидел что с новой прошивкой добавили бесключевой авто запуск к этой модели поэтому появилось желание ключ из машины достать.
Вопрос что для этого надо?
Как я понимаю залить новую прошивку активировать в ней бес ключевой авто запуск и передпоключиться как описано в Alarm Studio? Просто сегодня был у дилера ниссан и хотел эту процедуру провести на что дилер связавшись с гарантийным сервисом Pandora в нашем городе сказал что уверенности что это заработает нету т.к блок сигнализации у меня "старый" (v.2.00) и на нем возможно работать не будет.

user1667 31.05.2016 05:46

v2.00 это "новый" блок, ане старый. Сейчас алармтрейд пишет про вообще новый блок, но их еше нет в продаже. Так что у тебя самый новый.

hruslan2000 01.06.2016 14:58

Вложений: 4
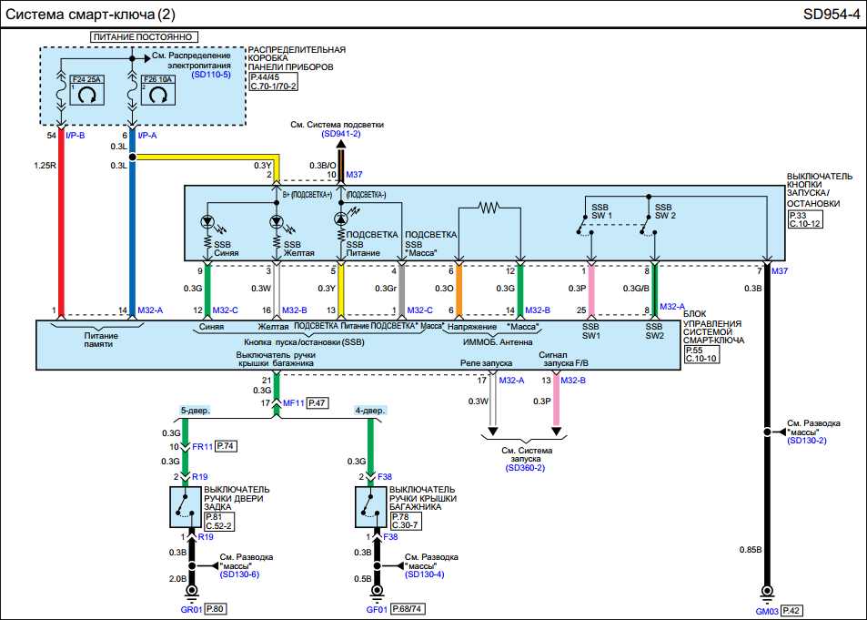
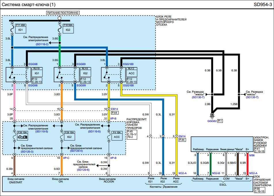
Господа, вопрос по подпору штатной сигнализации. Есть авто - Hyundai Solaris в комплектации Family, т.е. с кнопкой старт-стоп, кнопками на дверях и бесключевым доступом.
Хотелось бы, чтобы в отсутствие метки пандоры штатный радиоканал не работал. Реализуется, как я понял, через реле. В пандоре штатных реле нет же? Только управление?
Ну и кто может подсказать, что рвать-то. Прикладываю схемы подключений авто со смарт-ключом (кликабельно).

Вложение 1239

Вложение 1240

Вложение 1241

Вложение 1242

2000VIF 02.06.2016 12:28

2 hruslan2000
Можно порвать силовой плюс питания активаторов системы ЦЗ, схемы управления активаторов на картинках нет.
Но нужно иметь в виду, что в охране придется держать реле под током, что увеличит энергопотребление на ток удержания реле, можно конечно применить специальные поляризованные реле, управляемые импульсом и с самоудержанием, но такие реле не предназначены для работы в устройствах автоматики в условиях автомобиля с повышенными вибрациями, есть шанс когда-нибудь реле поменяет состояние, и будет работать наоборот, хотя схемными решениями можно и эту проблему побороть, но стоит ли оно? Если есть у Пандоры режим снятие с охраны только в присутствии метки. Если украли\сграбили штатный ключ, открыли несанкционированно, то Пандора Вас оповестит.

hruslan2000 02.06.2016 13:05

Цитата:

Сообщение от 2000VIF (Сообщение 160513)
нужно иметь в виду, что в охране придется держать реле под током

А если брать нормально разомкнутое реле? По идее авто стоит в охране больше времени, чем ездит.
Вот тут: https://www.drive2.ru/l/8030296/ чел описывал вариант с NO реле.

Цитата:

Сообщение от 2000VIF (Сообщение 160513)
Если есть у Пандоры режим снятие с охраны только в присутствии метки

Это я знаю, включено. Но хотелось бы именно так, чтобы штатный канал управлялся пандорой, т.е. включался только если сигнализация видит метку.

Я бы выложил полную схему, но она в PDF занимает 3МБ, а полностью все схемы с разводкой - 42МБ.


Часовой пояс GMT +4, время: 21:56.

vBulletin® 3.6.4, Copyright ©2000-2026, Jelsoft Enterprises Ltd.
Перевод: RSN-TeaM (zCarot)